当前位置: 首页 > 实用资料 > 百姓的贵族-212/833通用单端

文章分类

浏览历史

百姓的贵族-212/833通用单端
左增军 / 2024-02-13
    2023年我写了一篇《833/FU-33胆机之我见》,只写了前奏,“未完待续”还未补充,就被仿制的一塌糊涂。我不爱卖关子,首先贴出了电路图,既表明了我的诚意,也会有个完整的交代。怎奈凡人凡事缠身,至今还未写完。我前阵子在整理资料、调试AI的时候,发觉833A(FU-33)与212E(4212)主要参数相近:最高屏压3000V,最大屏耗300W(212D略小)。灯丝电压分别是10V/10A、14V/6A,灯丝功率相近,这样灯丝变压器功率一样,高压变压器的功率和电压值基本相同、输出变压器的功率基本相同、阻抗不同。主要的不同在于驱动部分和一些细节,通过之前制作212、833的经验,虽然两管的栅偏压不同,但两者的放大倍数也相差一倍,这样就好办了,按照镍屏管,屏压1600V、输出功率50W时(假如采用石墨屏,两者都可以输出90W左右),所需要的推动电压:212为65V(有效值)左右,833为50V左右,两者相差不多。虽然833是右特性管,在使用推动牛,推动功率足够的情况下,可以不考虑是否右特性(都说土克水,当水足够多的时候,冲没土)。如此一来,其实两者的电路框架基本是一样的,除了灯丝变压器电压不同以外,高压、中压变压器、推动变压器完全相同。如此,一套设计完全可以满足两种大胆的应用,甚至假如客户喜欢,可以切换两种大胆来听。虽然两管的形状不同,但管座的直径相差不多,因为屏耗相同,给管子的安全空间也相同。这样机壳的设计也是大同小异,甚至可以通用机壳。
    下面贴出两种大胆的典型参数供参考:
    为方便玩大胆的朋友,也为了想玩没有勇气玩的发烧友,实际电路做了模块化设计,也就是电压放大级包括管座独立一块小板,推动级连管座也是独立一块小板,输出级简单,直接在管座上接线就可以。高压、中压整流滤波独立一块板,灯丝整流滤波独立一块板。屏流调整+交流声调整独立一块小板(2A3和电压放大都用交流灯丝,一切为了好声音)。把每块小板组装好以后,安装到机壳上就可以,以后哪个环节出了问题,直接检测对应模块,非常简单。至于高压部分,只要按照要求处理绝缘、做好连接线,普通的家庭环境应用,基本不需要有什么顾虑。假如是沿海潮湿的环境,请按照说明,加强裸露焊点的绝缘就可以。当然,因为电压较高,焊接组装、调试时还是需要注意的。
    下图是电路的简易框架:
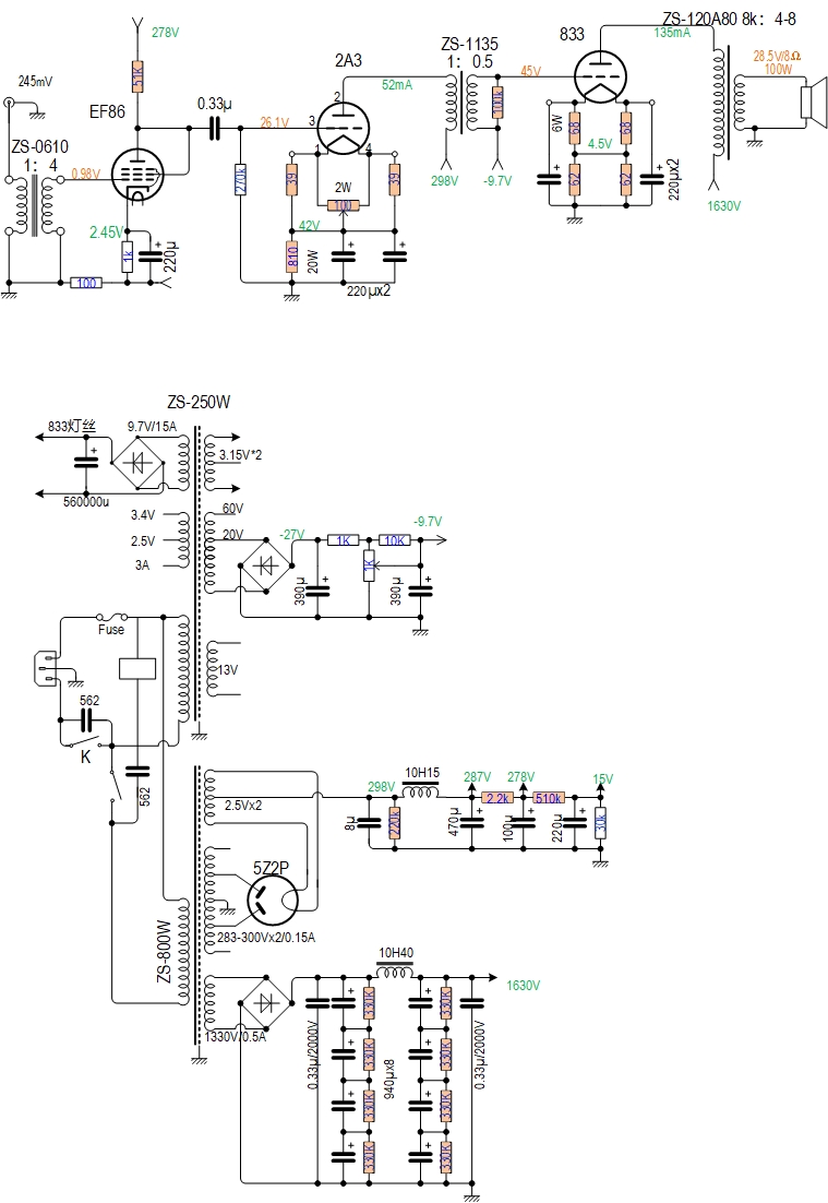
    这个是上次的833单端电路设计:
    既然上套设计已经被仿制,那我也只好再次改进全部设计,下面是改进后的推动变压器次级,也就是在路状态,在833或212栅极测得的方波,从方波情况也可以知道推动牛的频宽很好,-1dB达到了15Hz~60kHz。要知道推动牛必须有足够频宽且-1dB甚至-0.5dB基本平直,才可能在输出牛端获得足够的频响指标。
    下面是30kHz方波,如此方波特性,您可以搜遍世界,能找到的告诉我一声,我把这篇文章删除。
    下面贴出整机也就是包含推动牛在内的,8欧姆喇叭端实测输出波形:
    接着性能指标列出来:
    开环情况下,
    1、功率级单独残留噪音:3mV/8Ω;
    2、加入推动级、电压放大级后,残留噪音9mV/8Ω;
    3、频宽,20Hz~20kHz -0.5dB。
    施加-5dB局部反馈以后,残留噪音5-6mV/8Ω。这是一个什么概念呢?对于一般的10寸以内大箱子,离开扬声器1米多,基本听不到交流声。假如您要求再高,那么一方面可以再适当加深负反馈,可以获得3-4mV残留。也可以将推动管改直流灯丝,这个并不建议,因为对比下来,还是交流灯丝好听。
 
    这样的一套设计,高压全胆整流(汞胆866或872,或U19),用汞胆整流时,搭配调试好的8分钟延时继电器,U19则不需要延时。这里很高兴的告诉广大发烧友,对于高压整流,大家可以放心的用汞胆。首先说声音绝对是普通整流管所不能比的,使用左氏改进的高压整流电路,大大提高了汞胆的寿命,就算普通国产正品866也能保证上千小时没有问题,假如用872,更可以使用1-2000小时。中压用常见整流管5U4G等都可以,全部变压器大约12-14只,重量约100kg。有喜欢的朋友添加我的微信详聊。也可以帮助组织全部元器件成套。
   
手机阅读         加我联系

用户评论(共0条评论)

  • 暂时还没有任何用户评论
总计 0 个记录,共 1 页。 第一页 上一页 下一页 最末页
用户名: 匿名用户
E-mail:
评价等级:
评论内容:
验证码: captcha