当前位置: 首页 > 实用资料 > 续《二十一世纪的三重(Three-Winding)超线性放大器》

文章分类

浏览历史

续《二十一世纪的三重(Three-Winding)超线性放大器》
左增军 / 2026-02-28
  接上期《二十一世纪的三重(Three-Winding)超线性放大器》
  前面简单介绍了我设计的“三重(Three-Winding)超线性放大器”的一些设计理念,本文继续。
  初期的放大器,输出变压器作为功率输出管的负载只有一个屏极负载绕组(次级输出绕组未考虑)。大约在1945年前后,英国声学制造公司(也就是后来的QUAD)的创始人P.J. Walker提出了屏极与阴极负载分担理念,也就是分负载输出。这个理念可能也有D.T.N. Williamson(也就是Williamson创始人)的参与,只是Williamson并没有采用这种方案,走的是他自己一套路。这样输出变压器就有了双绕组的定义。当时QUAD做的比较保守,阴极匝数占总匝数的10-20%(如此的话直接使用次级输出绕组作为阴极绕组,也是有一定道理),Walker“沃克”的名言“the perfect amplifier is a straight wire with gain(完美的放大器是一根带增益的直导线)”,实际上他的理念是,这条线需要人为的“拉直”。
 
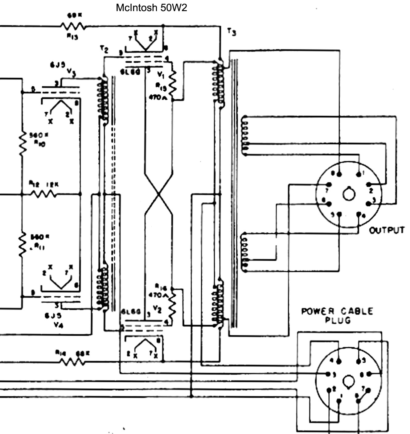
  1949年成立的美国的McIntosh(麦景图)放大器则将这种理念发挥到极致,阴极线圈与屏极比例相同,各占50%,如此带来诸多优点,比如内阻降低对输出变压器的要求降低,不会做变压器的人也可以“轻松的”制作完成(请接着往下看)。最初的麦景图是6V6推挽输出15W,抱歉这部机器我没有找到真正的对应电路,我们看到6L6推挽输出50W一代机,6V6推挽输出20W,直到6L6推挽输出50W(实际输出47.5W,失真1%)的50W-2二代机。
 
 
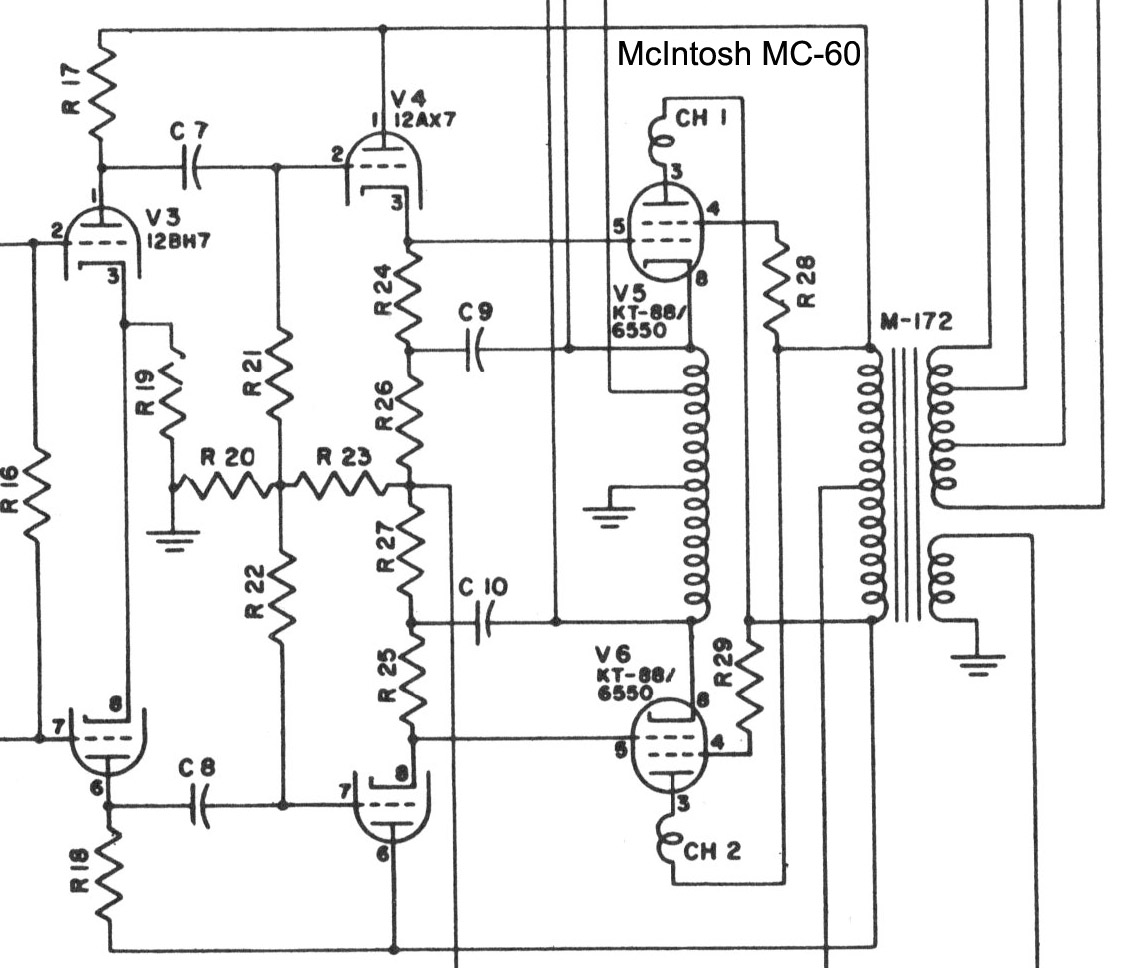
  到后来的30W、40W、60W直到成熟、经典的75W电路系列胆机,基本都是相同的设计。在此期间麦景图申请了很多专利,也购买了很多专利(说句题外话:起步的米国鼓励人们申请专利,哪怕是窃取他国的技术都完全可以获得专利保护)。麦景图从追求输出功率最大、失真最小、效率最高,到后来综合改进稳定性、可靠性等方面,电路整体结构基本相同,输出牛从屏、阴双线双绕组,到增加第三绕组用于推动级,基本就是这几种变化形式(有关麦景图放大器我会有专题介绍敬请留意)。
 
 
  我在上一期简单提到了,在实际的超线性电路应用中,电子管的帘栅极(Screen)直流电压始终≥屏极电压,实际上束射管(Beam Tetrodes)比如6V6、6L6、6P3P之类,手册规定的帘栅极最高电压都小于屏极电压,这是电子管自身构造导致的(这个上一篇文章已经提及)。KT(Kinkless Tetrode)管比如KT66、KT88或常用的五极管(Pentodes)比如EL34之类,大多根据超线性的特点做了特殊设计,提高了帘栅极耐压,也就是增加了与其他电极的空间距离,可以承受与屏极相同的电压,以便适应超线性电路的应用。诸事都有利弊,KT90、KT100甚至KT88同样饱受诟病~当然责任并不在一个方面。
  先来看一下实际电路分析:早期的麦景图20W胆机,使用6V6功率放大,上管屏极与下管帘栅极接在一起,直流电压相同为340-360V。再看RCA电子管手册给出的6V6数据,标明帘栅极最大电压275V,很明显帘栅极电压超出很多,虽然可以用且输出功率大,但是安全问题画了个问号。
 
  再来看英国的Quad,QUAD的本义是Quality Unit Amplifier Domestic,也就是优质的放大器。Quad II的首发年代大约是1953年,跟麦景图50W-2代机年代相同,Quad II功率管用的是KT66,与麦景图50W-2用的6L6G基本相同,且KT66根系上是6L6的改进升级版,屏压更高,但是Quad II手册标称输出功率15W,实际输出功率可达30W左右,屏压包括帘栅极电压为340V。麦景图50W-2用6L6G,屏极、帘栅极电压420V,输出47.5W,失真1%,与Quad II相同。从市场来看,麦景图“卖相”明显胜过Quad II。我不懂市场所以这里我们只谈技术,从电路设计上看,麦景图“敢”设计,Quad II较保守。从多半个世纪以后机器的维修上看,两者都差不多,反正这些经典的机器我都维修过不少,主要是维修输出变压器、电源变压器,至于说客户的电子管使用多久,我没有发言权,因为我没有一直使用任何一台机器。至于说声音感受方面,见仁见智吧,哪个型号都有很多的“粉丝”,甚至奉为传家之宝。
 
  接下来再看一下麦景图电路设计中,对前级推动管和电压放大管应用电压的选择。
  早期的麦景图电路,20W-2、50W-1、50W-2的推动管与输出管的耦合都采用级间变压器,这样供电电压不受牵扯,可以选取合适的电压。1953年推出的30W的A116,以及后来定型的MC-30、MC-40到MC-60,推动管甚至前级电压放大管,也与输出管屏极供电电压绑定在450-470V高压。
  为了大家能看得清楚,下面贴图只选取功率输出相关部分,整机图大家可以在网上看或联系我索取。
 
 
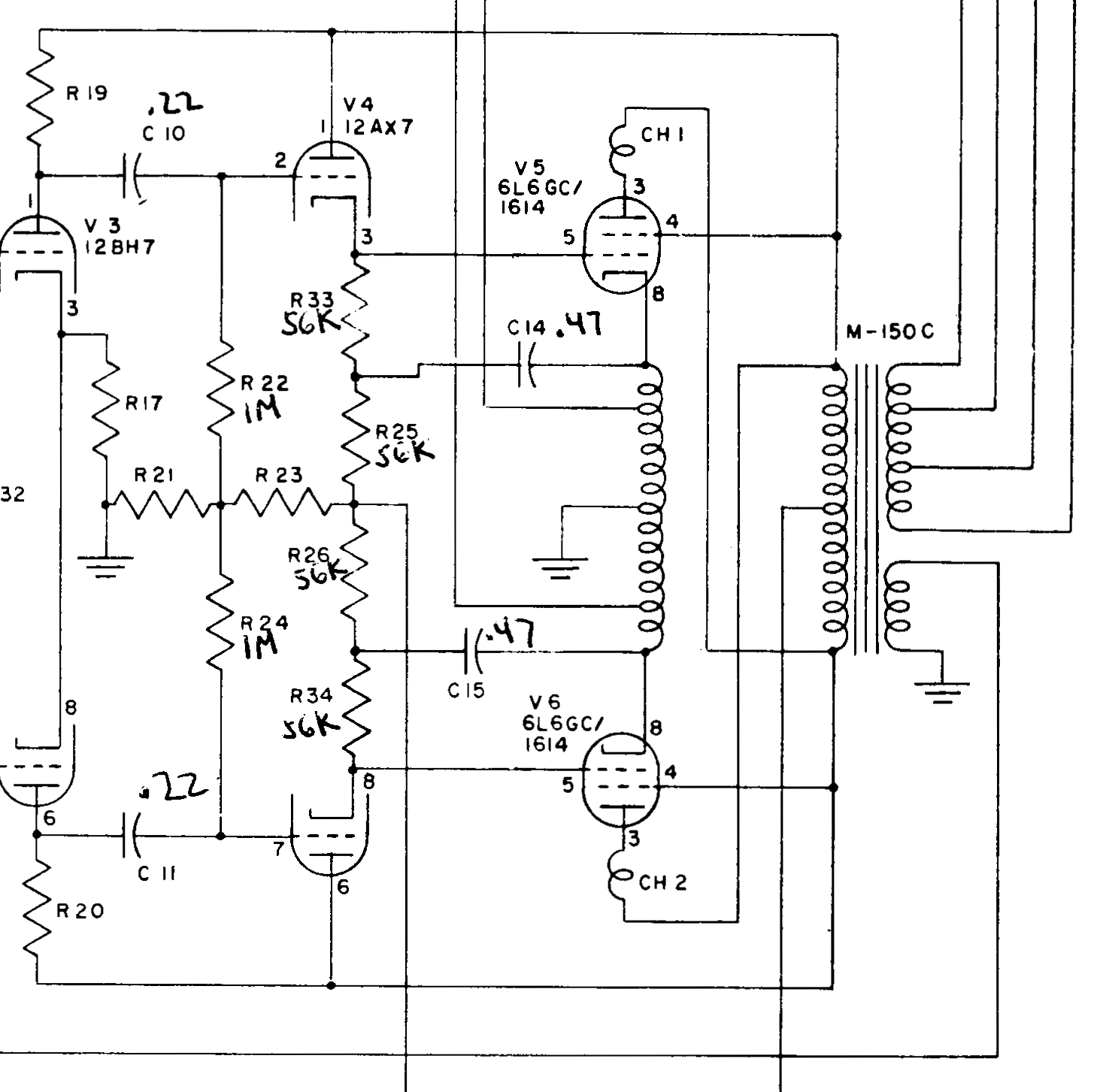
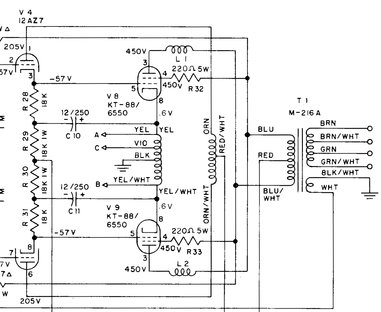
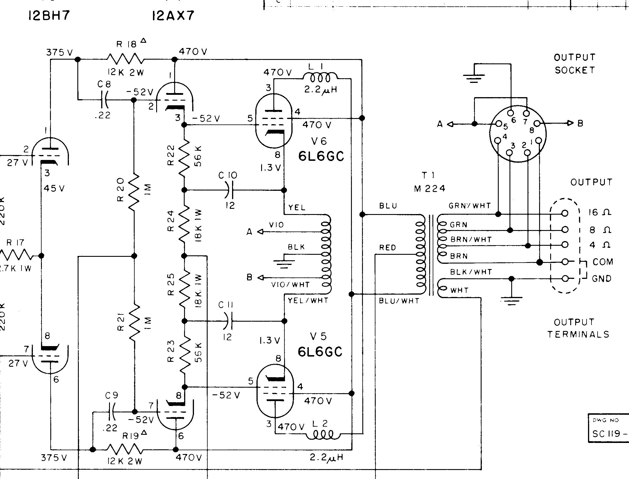
  上述电路中,推动管是12BH7、12AX7或12AZ7,查看相关电子管手册,12BH7-GE标注屏压最高450V,其他品牌的12BH7基本规定都是250V。12AX7手册规定屏压也是250V。麦景图上述型号都使用了450-470V屏压,还要加上阴极-52V电压,这样就算是正常工作期间,屏阴之间电压都有500-520V电压,冷态也就是电子管未导通时,电压甚至达到650V以上-虽然很短暂。麦景图这几个型号没有成为经典胆机,个人认为安全性不够也是一个方面,抛弃了推动牛的危险,电子管的工作电压超限也并不是好事。
 
 
  直到后来成熟的75系列电路,给推动管独立一个绕组,可以单独供电,从整体上各管电压问题得以解决,安全性、稳定性得以解决。我们知道,电子管不同于晶体管,稍有不甚就可能损坏。电子管的“超载”能力强,超出适用范围不至于立马损坏。只是我认为电路设计最好给每个元件留有一点余地,而不是“超能力”工作。话又说回来,没有“超常”表现,就不会“脱颖而出”,平淡无奇不要说现在这个时代,就算早期社会也只能”靠边站”,不会被“众星捧月”。
 
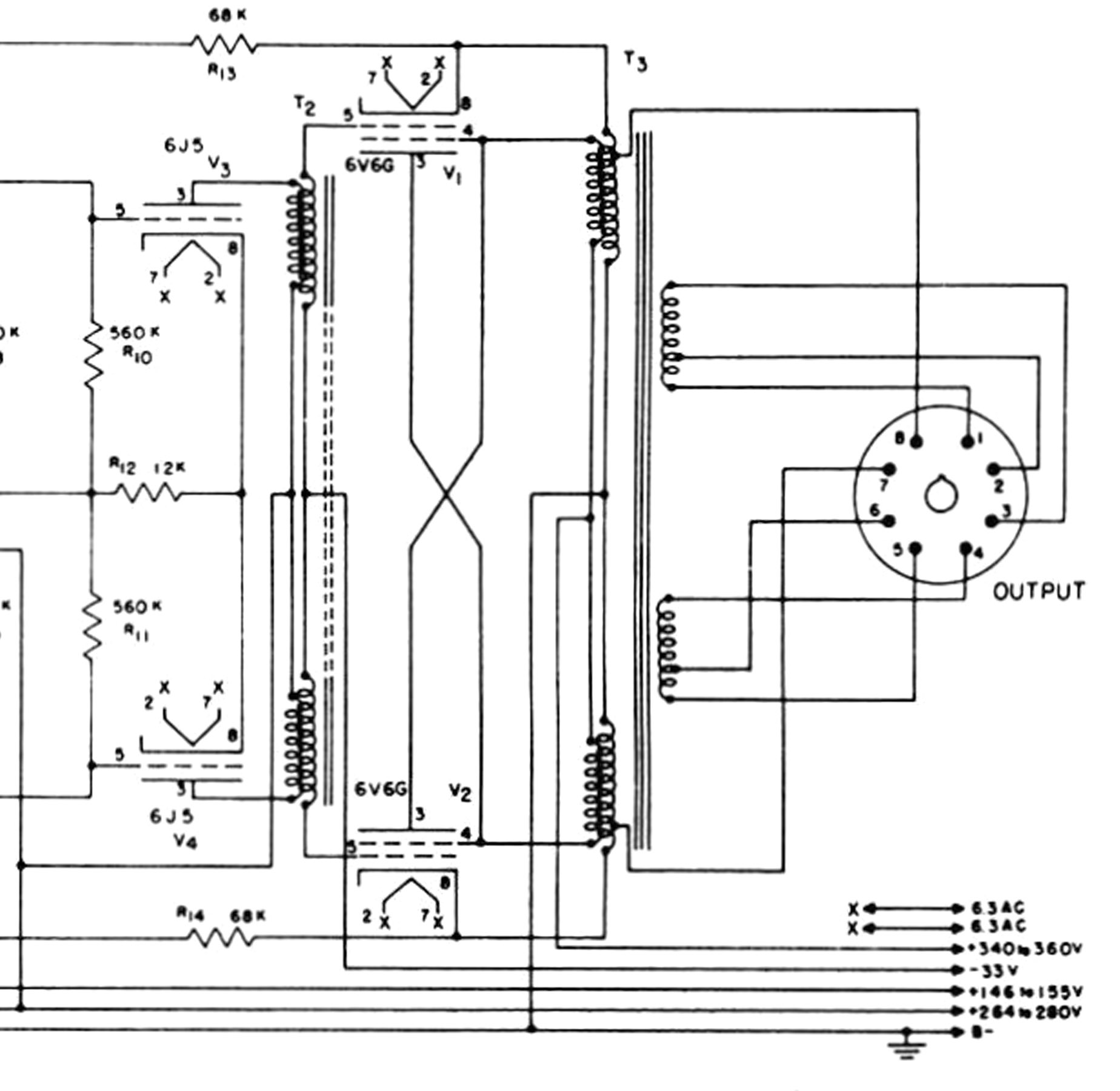
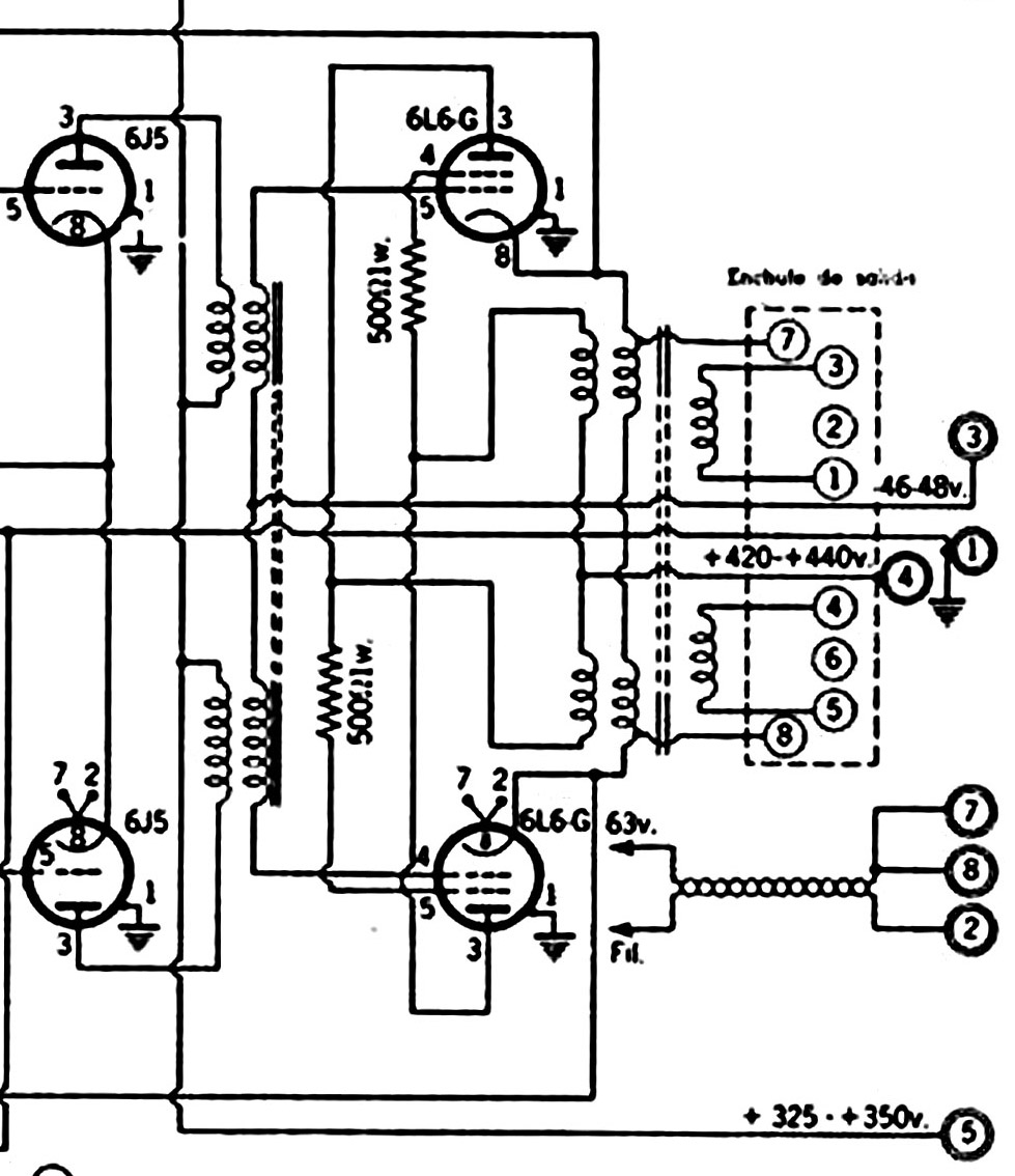
  后来,University of Cincinnati辛辛那提大学(麦景图本人1946年就读于该校)的一名学生,在1954年发表了一篇论文,重新设计了麦景图50W-2电路,在初级线圈中使用了第三个绕组作为帘栅极线圈,如此帘栅极脱离屏极约束,可以自由选择供电电压。
 
  下图是这位学生改进的麦景图50W-2电路:
 
  他还亲手绕制了这种模式的三线变压器,并获得了很宽频响指标。这表明麦景图输出变压器无需复杂分段,任何人都可以轻松绕制出C 型铁芯的高性能输出变压器。这里顺便贴出麦景图50W-2输出变压器的绕制方法,大家可以自由拿去。
 
  这位麦景图的“校友”在当时能对麦景图电路进行改进,其中也说明了一些问题的必要性。
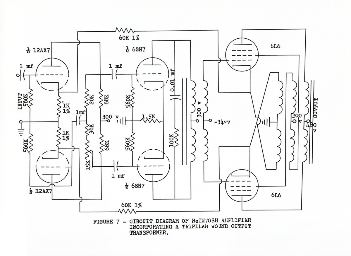
  接下来我们再来看一个现象,就是多绕组变压器绝缘问题。对于麦景图输出变压器多线并绕,这个留作专题文章详细介绍,这里省略,这里主要看推动变压器。我们看上面麦景图早期型号20W-2、50W-1还有50W-2,这些机器推动级采用独立推动变压器,供电电压可以根据需要选取,而不受功率级供电电压牵涉,看上去机器可以稳定可靠的运行了。再看推动变压器,依然采用输出变压器相同的初级、次级双线(多线)并绕的形式,这样可以做到百分百的耦合,只是受推动牛体积小巧限制,用线较细,相对耐压不足,从而导致故障率提高。尤其是推动级,一旦出现漏电现象直接导致功率管甚至输出变压器的烧毁。
  下面是那位辛辛那提大学(University of Cincinnati)的学生,在发表论文里给出的推动变压器的绕制方法,这名学生基本不懂变压器的制作,但也顺利的绕制成功了全套变压器,并且获得了很好的性能指标。只是忽略了整机的安全性,推动变压器一旦绝缘出现问题,直接导致故障率提升。这一点也是麦景图早期型号不能成为经典成熟的胆机的一个原因,所以后来的麦景图彻底放弃了采用推动牛的结构形式。因为在当时的情况下,制作一颗指标合格的推动牛几乎是不可能的,似乎在那个年代的机器,整个欧美没有一个采用推动变压器性能又很好的胆机。
 
  麦景图后期的一些型号,比如输出功率为350W的MI-350(MI属于专业级型号)其功率管帘栅极使用了独立绕组,方便配置合适的电压,并采用了推动变压器。
 
  但是,看到今天的有些胆机采用了推动变压器,为了获得好的指标,依然采用这种双线并绕的推动变压器(经本人更换过一些),真不知道应该说些什么。我上篇文章给大家列出了一些多绝缘层高耐压漆包线,希望那些双线并绕推动牛的生产者采纳,毕竟大家都买胆机是用来安静的欣赏音乐的,不愿意总找麻烦。这里顺便说一句,今天的变压器材料和工艺已经有了质的改变,不用双线并绕,依然可以获得很好的性能指标。实际听音远非双线并绕推动牛所能比,因为双线并绕优点是高频好,而低频较差~这一点很多指标派很喜欢,然而实际听音派并不喜欢甚至反感。
 
  以上这些问题,也是我设计《三重(Three-Winding)超线性放大器》的主要原因。大家可能认为这都是一些“鸡毛蒜皮”的小事儿,细枝末节的东西,没必要认真。我以为,成功的关键是细节,一部胆机能应用过世那才是应该有的。很多机器看上去都不错,可实际一听就不是那么回事,甚至有天壤之别,为何?买衣服时大家可能只关注什么品牌,样子是否好看,布料是否高档。我首先看针脚的疏密,再看口袋伸进去是否舒服。这些细节做不好,其他方面就不用看。要知道服装出口时,检查每厘米的针脚数这样的小事儿是一个硬性指标。
  这里顺便再说一下,如今典型的6L6推挽电路,基本就是输出功率20多瓦,这种可以输出50W的推挽电路,为何制作者寥寥?首先商业活动不允许因为美国专利保护,个人行为主要还是受输出变压器限制,没有变压器生产者跟进,发烧友并不方便制作。
  还有我上期贴出来的6146推挽输出100W的电路,摘自1955年的ACRO变压器产品手册,本电路也是屏极、帘栅极(Screen)分开绕组的超线性结构,并没有采用阴极绕组,由于施加深度负反馈,输出变压器可以简单制作(体积小、圈数少,无需复杂分段)。本人也亲手实验测试过,其性能比较满意,只是线路复杂,初烧友禁入。
 
  上世纪初,人们主要追求的是明显的指标,比如输出功率大、失真小、效率高(麦景图广告宣传页明显表明效率达到50·70%)等。然而1934年成立的Leak公司,在1940年发表的Leak TL12被BBC商用(型号是LSM/8A),采用KT66推挽,输出功率却只有区区十瓦左右(三极管模式功率输出)。电路设计功率管工作在三极管模式,电压放大、倒相推动设计的中规中矩,元件参数留有一定余量,追求性能,但同时注重听音感受,为何被BBC商用?我们都知道,被BBC采用的音响设备都有一定的水准,比如LS 3/5A等。
 
  以上我的观点,我的说法,只对事物本质,不对任何人或者任何品牌,我只针对电路应该如何设计才好,并没有考虑其他人什么感受。假如您不喜欢可以略过,假如您喜欢请给我点赞。
 
  人都不是万能的,古代分文官和武将,打仗也有将才和帅才。项羽带3万人马,打刘邦56万人,最后刘邦弃儿独逃,项羽可谓人中豪杰。吕布有虓虎之勇,矫健过人,人中吕布,马中赤兔之称。然而,吕布骑赤兔,画戟捅义父。
  有的人只琢磨工作,想的是这工作如何做,怎样才能做好,而不考虑人,不考虑应该如何待人才能“周全”;
  有的人只琢磨人,想的是人们喜欢什么,如何被人们喜欢。不考虑工作,不考虑如何做技术做好“产品”;
  有的人只考虑结果,想的是怎么样能获得更多受益,无论采用什么方法,利用什么人,不考虑“后果”。
  。。。
  当然我们每个人可能都有两面性或多面性,我就是一个愚钝之人,只会考虑事物的本质,这个电路应该是怎么的设计才更好,并不去考虑人们喜欢的就是好。每个人的环境、阅历、想法不同,都会有自己的见解和看法,这很正常。上期文章发布后,有香港用户留言,说他的推挽胆机使用R型铁芯绕制,声音很好,以致后来不能接受普通铁芯的声音,他可能想说R型铁芯好。只是未靠考虑R型铁芯闭合磁路,不能存在直流成分即便是很小的直流。香港朋友可能电子管配对了得,以至于听了十几年,上下臂电子管的电流都绝对平衡,不出现任何不平衡电流。社会上有种现象,就是有时候请假和尚念经,他念的是什么大家听不懂,真让他念正经的经他也不懂,所以嘴里嘟囔的是:“你糊弄我我糊弄你,你糊弄我我糊弄你。你不糊弄我我也糊弄你,嗡嘛昵叭咪吽”。真的也是假的,假的也是真的。真真和假假, “共性相吸”,自己大脑的想法,总会与相同观念的人连通。
  
  “要么写一些值得读的东西,要么做一些值得写的东西。”—富兰克林, “Either write something worth reading or do something worth writing.” – Benjamin Franklin
  
  不知不觉又写了这么多,很高兴您能看完。更喜欢您的 转发、评论、关注。我会更加努力!

用户评论(共0条评论)

  • 暂时还没有任何用户评论
总计 0 个记录,共 1 页。 第一页 上一页 下一页 最末页
用户名: 匿名用户
E-mail:
评价等级:
评论内容:
验证码: captcha