当前位置: 首页 > 实用资料 > 直热管1E7G无反馈前级的制作

文章分类

浏览历史

直热管1E7G无反馈前级的制作
左增军 / 2023-08-15
    大约是2021年,有客户拿了我的一部2A3单端,经过反复对比试听感觉非常好。后来想定制一部1E7G前级,我一听就有些头疼,这1E7G可是一个缠手难伺候的管子,记得多年前给香港客户制作过一部1E7G推挽后级放大器,本来1E7G就是为推挽输出设计的电池管,输出功率有0.5W。论声音,确实比6SN7电压管做的推挽输出强很多。20世纪三四十年代著名的Emerson的收音机,就是用1E7G推挽输出驱动10寸纸盆喇叭,没错,是十寸喇叭的收音机。
这1E7G最大的缺点是麦克风效应很大,比十几年前流行的26、30#管都难搞。记得我当初折腾好半天才处理好。可这位烧友让1E7G做前级,这不是很大的难题吗?估计还是一个世界性难题~google搜半天也没有找到好的制作案例,当然,肯定也有网友制作,但怎么做,做到什么结果那就不得而知。大家都我这人有个傻劲儿,越是困难的事情就越愿意去做,比如折腾那个GM-100,真的是自己给自己创造困难再接着上,几次打破自己。这也怪自己没有其他方面能力做好全局,没有十全老人-弘历那样的能力,虽然我也努力过,可,一努力就走偏,就只往一个方向偏,越这样就越失去其他更多~~~扯远了,咱接着说1E7G前级。
    1E7G是上世纪三十年代的一颗很精致的大八脚双五极管,没错,八个脚内装两个五极管还包括灯丝,详细请看TUNG-SOL的1E7G手册:
关于这个1E7G制作前级的电路构思,我一般喜欢简单,用简洁的电路,用过硬的元件自身素质达到整体性能。因为是五极管,放大倍数不会小,只用一级放大基本够了。假如改三极管放大,虽然失真等指标变好,但需要用两级放大,否则放大倍数不足,不能算作一部好前级~曾记得N年前,一位发烧大咖把经典的低电平放大的禾田冒氏前级,活脱脱做成了电压增益不足十倍的禾田冒失并自以为美,何也?改动元件数值,变成一部深度负反馈前级。为何?因为负反馈是一剂“良药”,专治各种不服,广谱杀菌的抗生素?激素?
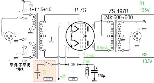
受制于本人性格,不在外表上下功夫,把自己的强项充分发挥。这部1E7G直热管前级,就使用M-1前级机壳改装。电路结构基本遵循无负反馈、简单的一级放大。根据管子手册数据,输出变压器阻抗按照为24k:600,粗略计算电压增益不足十倍,实际先搭电路测试,结果跟计算差不多。随选用1+1:1.5+1.5的平衡/不平衡输入变压器配合,这样电压增益有十多倍,完全可以应付各种音源和后级的匹配。
电路很简单,制作很容易,为了满足要求,电源与放大部分各自独立,选用相同的机壳。但噪音、麦克风效应的处理依然是个难题~~~本人有技无术一愚钝之人也:
 1E7G相同型号是38717E,是上世纪三十年代电子管初期生产的、电池供电音频放大双五极管。这里用作前级放大,只能用电池供电。关于选择用什么样的电池,本人并没有坚持自我,按照客户坚持用普通1号干电池的要求制作,这样就给制作增加一些难度:4节1号电池的体积不小,电池盒需要做好屏蔽措施;为了便于更换电池,还需要外置于合适位置方便更换。假如用锂电或可充电电池,则可以隐蔽起来,屏蔽能做的较好,噪音容易处理一些。直热管的灯丝即阴极,是信号放大回路的一部分,所以灯丝回路也需要做好屏蔽。客户还要增加电压监视表头,试了几种方法都额外增加噪音,最终放弃。当然用干电池供电的优点是声音好听,但使用成本也会增加,想要让1E7G工作在适合的灯丝电压(1.8V-2.2V)范围内,这4节1号干电池,大约使用百十小时就需要更换。电池用久灯丝电压过低除了声音下降,对1E7G阴极也不利。
高压供电则弃用流行的稳压电源,所谓稳压电源,多是通过反馈方式使得输出电压得到稳定、纹波系数很低,但动态内阻较高,同时复杂的稳压电路不符合本机要求,这里就是简单的LC+RC滤波。
1E7G工作状态,就按照手册给出的要求:135V/7mA*2,无甚奇巧,无离规矩。电路简洁到不能去掉任何一个元件的地步,除了阴极电阻电容,没有任何多余元件。
这些都很简单,但简单的背后,肯定伴随着制作上的麻烦,噪音、失真等硬性要求,只有通过合理的布局、良好的元件素质等来保证。配套的电源变压器、输入、输出变压器是重中之重。这些呢,懂的人都懂,无需赘言。
平衡/不平衡切换用继电器,输出未做切换。1E7G供电电池,用继电器与电源开关联动。注意的是,1E7G的2脚应该接电池正极,不要接反。
1E7G用大八脚内封2个五极管,看图,帘栅接在一起引出,三栅接在阴极,1脚空置。这也是一个简单到不能再简单的电子管,设计目的就是为了推挽放大器而设计的。
本机最伤神、最占时间的是麦克风效应的处理,这部分除了电路常识,涉及到更多的机械知识。那么1E7G的麦克风效应是怎么回事呢?那就是,把1E7G连接好各管脚线,电路处于正常工作状态,手拿1E7G,再距离管子20公分,然后轻轻地吹口气,喇叭里面就会发出相应气流声。把1E7G轻轻放在机壳上,还不要用螺丝固定,轻轻地碰触一下机壳,喇叭里面也会有相应的声响~~~我说这些,估计没有DIY经验的朋友是不会体会到这个的。总之一部好的前级是不能有这样的麦克风效应的。
那么该怎么办呢?1E7G整个管子做屏蔽是必要的,管座悬空也是必要的。但普通的一次悬空还是不能解决问题,管座-减震垫-管座连接板-减震垫-悬空支架-减震垫-机壳缓冲垫,然后再固定在机壳上,管座连接板的大小也是需要考究的,需要选用合适的尺寸。还有管脚连接线,需要用超柔软的细软线,再卷成弹簧状,让机械力传导减至最低。当然如果不考虑更换1E7G,把她塞一密闭的容器内,就好处理多了。这里因为不用负反馈,这些处理的细节需要谨慎又谨慎,否则一个位置处理不好,大部分工作白做。九层之台起于累土,成功关键在于细节。电路上用的继电器,需要用小型密封的,安装版也要与机壳做好减震处理。然后就是整个放大器的底脚要用毡垫之类垫起来。~~~看这些是否麻烦?但这是最好最直接的“帮助”处理麦克风效应的方法,这里以文字方式写出来,供大家参考。当然,您肯定有更好的处理方式,假如您愿意分享,我愿意搬个马扎坐好认真听。
这部1E7G前级,大约是2022年3月份交付给客户的,记得当时拍了一些相关图片,不知道存在那里,怎么都找不到了。假如客户愿意提供一些照片的话,我再放上来供大家参考。

用户评论(共0条评论)

  • 暂时还没有任何用户评论
总计 0 个记录,共 1 页。 第一页 上一页 下一页 最末页
用户名: 匿名用户
E-mail:
评价等级:
评论内容:
验证码: captcha