当前位置: 首页 > 实用资料 > 世界上首台“超级胆机王”打造记 (六)

文章分类

浏览历史

世界上首台“超级胆机王”打造记 (六)
左增军 / 2023-08-26
    本期重点:直热管交流点灯无反馈噪音消除方法,多图。手机阅读请扫描图片:
 
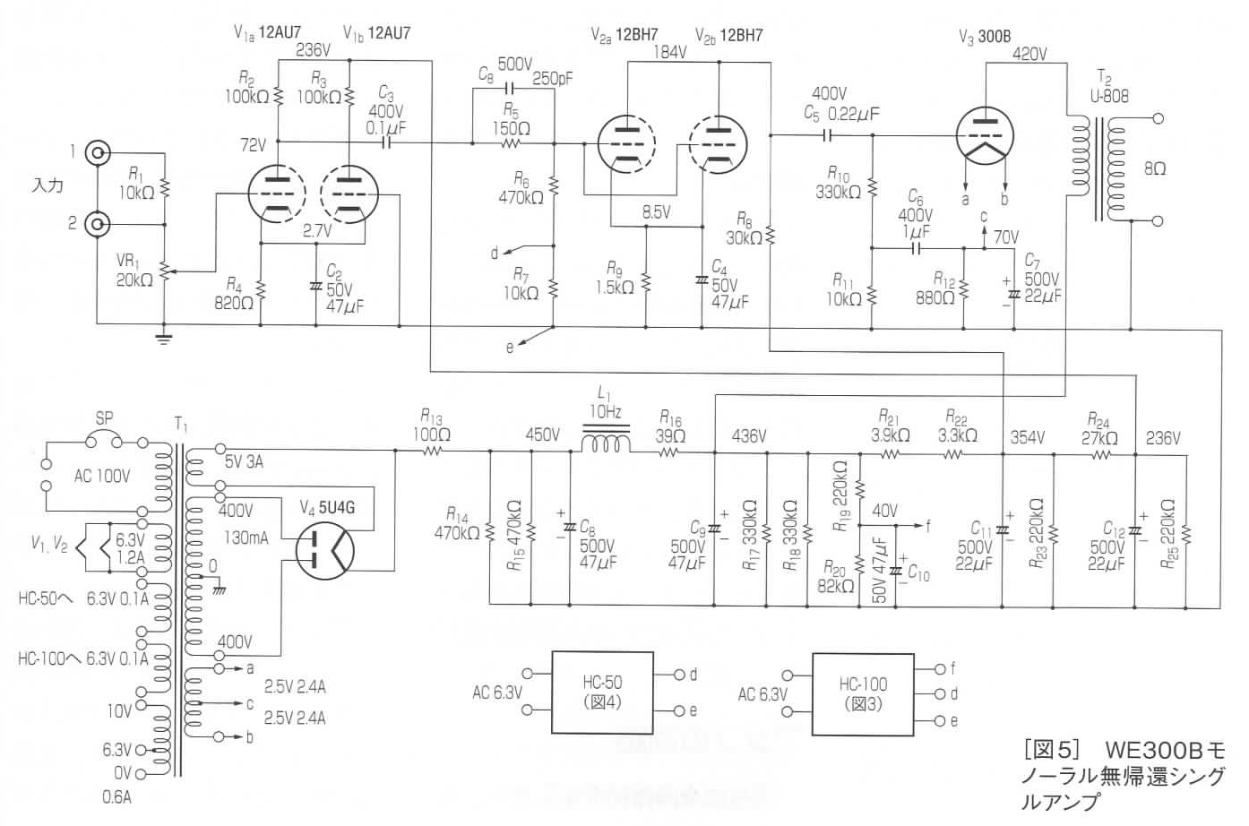
    接上期  接下来我将详细说说电路设计相关问题。下面是初期设计的电路,电路结构采用简单实用的经典电路框架,·考虑到客户要求可直接接驳CD等音源,电压增益要足够。这其实是给这部GM-100大胆机提出了更高的要求,信噪比需要认真处理。因为要放大很小的信号,那么杂散干扰等微弱的杂音、交流声也会同时被放大,导致残留噪音增大。这个信噪比,说难会很难,说简单也很简单,单从性能指标上看,无论信噪比、频响宽度、失真大小等,是比较简单的事情,电路上采用简单的稳压、反馈等,就可以获得很好的指标,所以光看指标没多大意义。对于直热管,假如采用交流点灯丝、无反馈状态下,能有好的指标,这是个世界性难搞的难题。就说常见的小功率的300B单端,到目前为止,国内外有几个真正采用交流灯丝无反馈的? 
 
  这里不妨先谈谈直热电子管为何要交流点灯丝:先看下图,这是GM-100在直流点灯丝时的状态:
 
   我们可以很明显的看到,两颗灯丝平衡电阻上的电压相差很多,这说明大部分屏流只沿着灯丝正极流出,屏流越大,正极侧平衡电阻上的电压越高。那位说了,1906年发明电子管时,都是用直流供电的,没毛病,弗莱明在爱迪生的灯泡上引出一个电极,灯泡变成了二极管。de Forêt在此基础再增加一个电极有了真空三极管。这都是从爱迪生的基础上得来的,肯定要用爱迪生的直流电。一百多年前,爱迪生-特斯拉发生了直流、交流电之争,今天国人肯定不会发生直热管灯丝交流、直流的争论,你搞你的技术研究,他卖他的胆机音响,看似没有任何关系。
   说到这里插几句题外话,我们耳熟能详的一些百年品牌大多都以个人的姓或名来命名,比如爱迪生、特斯拉、西门子、飞利浦、劳斯莱斯、奔驰等等,以自己名字作为信誉根本,拿产品质量等同个人名誉一样看待,精益求精,比如中国的第一座水电站石龙坝,其西门子发电机至今已运行一百多年等,不由得不佩服!这说明什么呢?
  
   不管你是否接受交流灯丝好听这一事实,我做胆机,二十年来一直坚持使用交流灯丝,除非不得已,比如这个GM-100,按照不反馈原则,我反复试验过多次。还是不能把噪音调至可接受的程度。记得日本直热管佐久間(Sakuma-san已故)说:“没有交流声陪伴的音乐不是好声音”。哈哈哈,有交流声干扰真的让人心烦。大家都知道,我喜欢用交流点灯丝,比如2A3、300B单端,通过各种途径减小交流声,积累了一定的经验。下面就详细谈谈,直热管交流点灯丝、无反馈状态的电路设计:
   对于直热管交流灯丝的嗡嗡声,解决方法有以下几种:
   1、最直接的用直流点灯,无论恒压、恒流,他都是直流,全世界都在用;
   2、高频或超高频开关电源输出交流,称之为所谓的交流灯丝,因为使用高频频率,超出人耳听音范围,而无法感受到噪音;
   3、超低频交流点灯丝,比如德国八度(Octave)三管并联300B单端,采用7Hz正弦波交流供电,这个频率包括倍频,也超出人耳听音范围而感受不到。这里只是感受不到而已,这7Hz的交流,其变压器体积重量,相当于常规50Hz的十倍左右;
   4、超路径电路结构输出级,如下图,其实低频放大被降低;
 
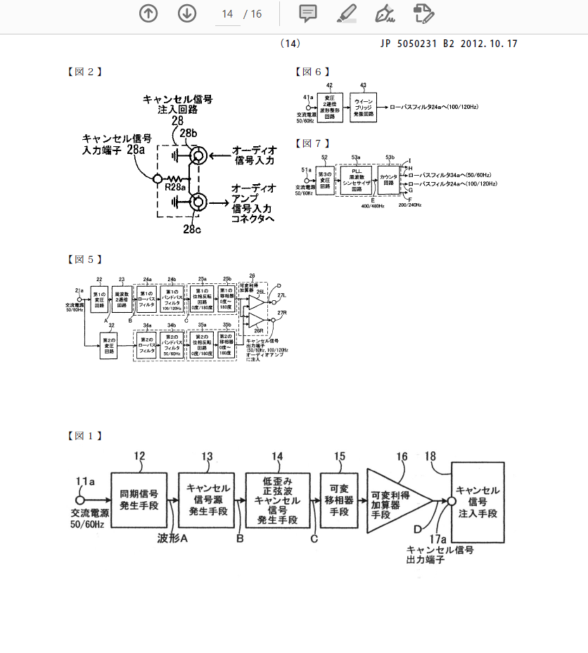
   5、谐波抑制电路,如下图,其原理介绍大家可参考日本《MJ》杂志2019.8月份,小林一智(KOBAYASHI Kazutomo)的300B制作文章、以及史蒂夫Steve Bench、Dmitry Nizhegorodov的相关文章。
 
 
 
   6、锁相环噪音消除电路,如下图,这也是史蒂夫发表的文章,大家可以参考。
 
这个211胆机采用的是这个电路?直热管交流点灯丝,看似其实很简单。
 

    日本上杉2018年(平成30年)发布的文章《寻找终极的直热管交流点火噪音消除技术》,也就是上杉U-BROS-300AH胆机采用的电路,应该也属于此范畴,号称专利,销量排名第二。

 
 
 
    还有,2012年,日本清水 紀雄的申请专利:音频放大器交流声消除电路,也有参考价值~国外有很多类似专利,限于个人能力、精力,有时间吧,我再多介绍。
 
 
   小成靠智,我们的发烧友都很聪明,用上述方法基本就能解决交流声干扰的问题,希望国人更多的采用交流灯丝制作直热管。只是,上述方案也不是都适应每个直热管交流点灯的问题,想要全面解决,还是需要时间的沉淀,功夫的磨练。当然,您可能有更多、更好的直热管交流点灯噪音消除法,欢迎大家不吝交流。
   好了,先到这里,休息,休息。

用户评论(共0条评论)

  • 暂时还没有任何用户评论
总计 0 个记录,共 1 页。 第一页 上一页 下一页 最末页
用户名: 匿名用户
E-mail:
评价等级:
评论内容:
验证码: captcha